
해외직구 시 많은 사람들이 헷갈려하는 플러그 규격
※ 위 플러그는 E 타입(CEE 7/5), F 타입(CEE 7/3)의 콘센트에 사용 가능하다. 두 개 타입을 합친 것이다.
통칭해서 EU(유럽) 규격으로 안내한다. 직구 시 영어로 EU 표기를 확인하면 된다.
호환성은 알파벳 타입으로 구분하고, 형태는 CEE 7/n 형식으로 구분하면 된다.
F 타입


한국 규격이란 것은 없다. 한국은 F 타입(CEE 7/3)의 콘센트를 사용할 뿐이다.
그래서 C·E·F 타입 플러그를 한국 220VAC 콘센트에 꽂을 수 있다.
F타입 콘센트에는 핀 지름이 4.0, 4.5, 4.8mm인 플러그를 사용할 수 있다.
E·F 타입 플러그는 핀의 굵기가 4.8mm이다.
'유럽형이니 4.0mm일 것이다'라는 것은 잘못된 착각이다. 이런 형태는 직구 시 혼동할 필요가 없다.
단점은 콘센트의 접지 핀이 쉽게 뭉개질 수 있다. 접지 핀이 둘 다 뭉개진 상태라면 접촉이 되지 않으므로 감전 사고에 주의해야 한다.
콘센트 구멍에 보호막이 있는 것은 별도의 규격이다. 어린이 보호 목적이다. 이물질 침투 방지는 덤.
C 타입
직구 시 혼란이 되는 것은 C 타입 플러그(CEE 7/16) 때문이다. C 타입 플러그의 핀 굵기는 4.0mm, 4.5mm, 4.8mm로 허용 전류와 CEE 7 소켓 호환성 때문에 핀의 굵기가 다른 것이지, '유럽형이니 4mm일 것이다'라는 것은 잘못된 착각이다. C 타입 4.0mm 핀은 2.5A 이하의 기기에서 사용한다. 그래서 휴대용 전자기기에서 쉽게 볼 수 있는 형태이다.
4.0mm 플러그는 핀 간격이 17.5mm이며 끝부분이 안쪽으로 휘어있다. 탄성이 있기 때문에 C 타입 플러그는 19mm 홀간격인 C·E·F·K 타입 콘센트에서도 사용할 수 있다.
C 타입을 꽂았을 때 문제가 생긴다면 콘센트 불량을 의심해야 한다. 설계가 잘못됐거나 원가절감한 콘센트가 있기 때문이다.
현X일렉트X처럼 국산 콘센트도 설계 결함이 있다. 품질 불량 3구 멀티탭

C 타입은 오래된 표준이고, 한국에서는 90년대에 많이 보였다. F 타입 콘센트가 보급된 후, 플러그 호환성 문제 때문에 깊이가 늘어난 콘센트를 제조·사용하였다. 접지가 없으므로 이런 콘센트를 사용한다면 F 타입으로 교체하는 것을 권장한다.
CEE 7/17

이런 무접지 플러그도 많이 사용한다. 전동, 전열기기는 접지를 하지 않기 때문에 헤어드라이어나 청소기에서 쉽게 볼 수 있는 형태이다. E·F 타입 콘센트에 꽂을 수 있고, 핀의 굵기는 4.8mm이다. E·F 타입 콘센트에 있는 접지핀과 간섭되는 부분을 파낸 형태이다.
개그 모음
- "접지형 EU 플러그를 선택했는데 한국형이 왔어요" 🤣🤣🤣
- "C타입 EU 플러그를 콘센트에 꽂으니 헐거워요" 🤣🤣🤣
참조
Plug & socket types (worldstandards.eu)
Plug & socket types
Plug & socket types around the world There are currently 15 types of domestic electrical outlet plugs in use worldwide, each of which has been assigned a letter by the US Department of Commerce International Trade Administration (ITA), starting with A and
www.worldstandards.eu
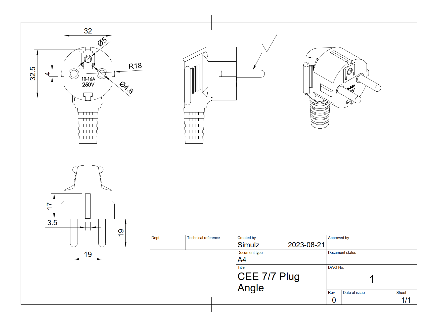
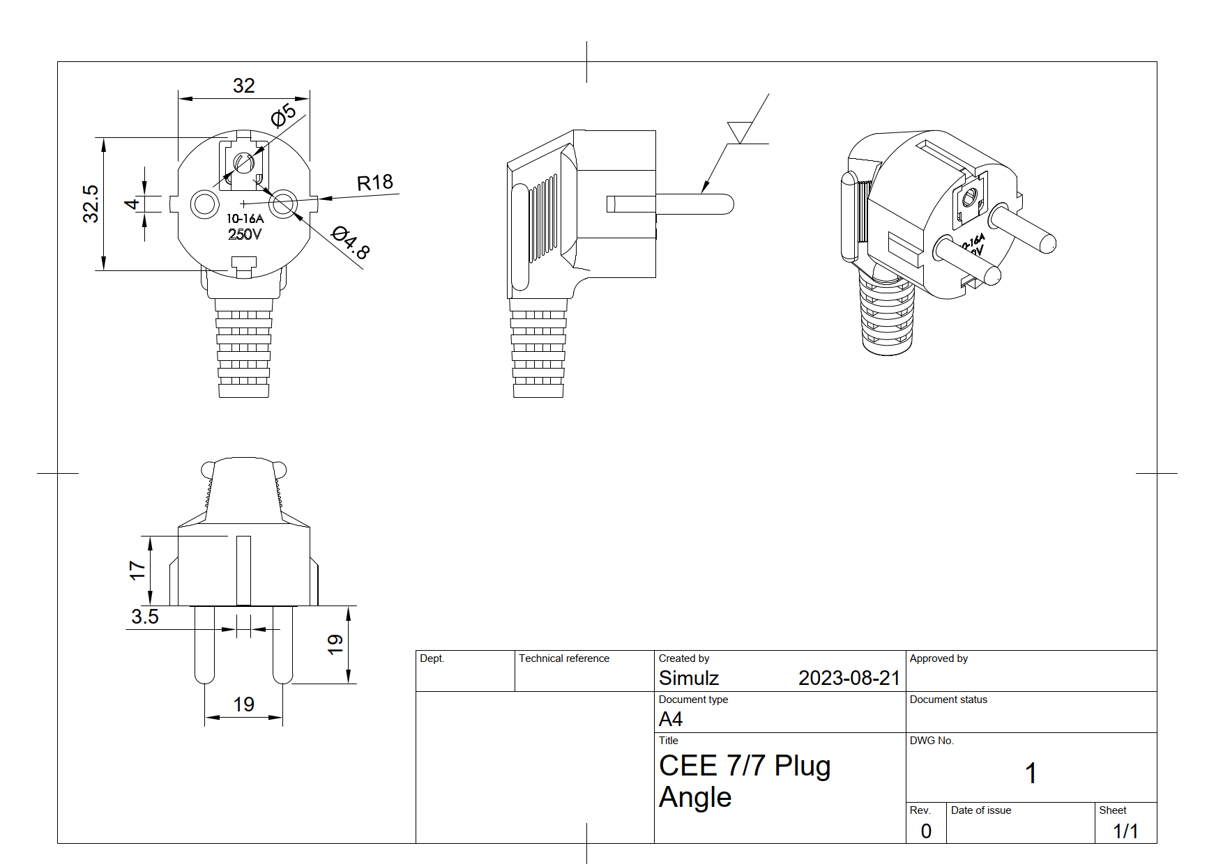
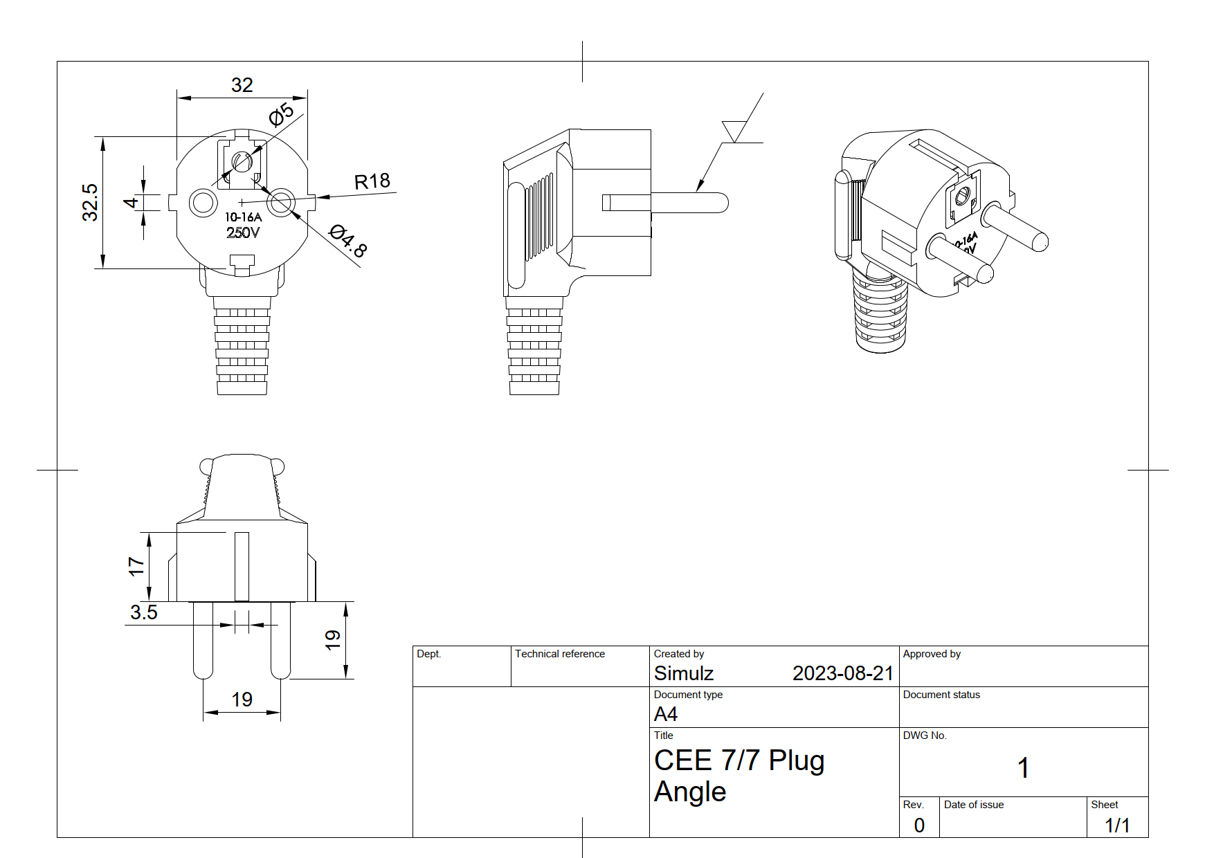
도면
CEE 7/7 Plug

콘센트 보호 커버를 만들 때 참고한다.
조립형 플러그 상품 페이지
https://s.click.aliexpress.com/e/_oppmeIB
EU Plug Adapter Replacement 16A Male France Korea Germany Plug AC Outlets Rewireable Schuko Euro Wall Socket For Power Cable - A
Smarter Shopping, Better Living! Aliexpress.com
www.aliexpress.com
https://s.click.aliexpress.com/e/_oDwKMLv
8pcs EU Plug Adapter Male Female Assembly Receptacle Connector 250V Schuko Power Cord Wired Electric Socket with Screwdriver - A
Smarter Shopping, Better Living! Aliexpress.com
www.aliexpress.com