제목: 후진 보조등 장착
개요: 후진시 보조등이 점등하여 주변을 밝혀준다.
조건: 미등 점등 상태에서 후진했을 때
어두운 밤...후진시 뒤쪽은 후진등으로 조금 보이지만 양 옆은 아무 것도 보이지 않는다. 그래서 설치한 후진 보조등.
준비물
자재
- 후진 보조등(LED 서치라이트): 2개
- 파워 릴레이: 2개
- 전선: 1.5SQ(다용도), 0.75SQ(LED용). 흑색, 적색
- 전선관: 플라스틱 배 갈라진 것
- 방수 퓨즈: 2개
공구
- 자동차용 절연 테이프. (얇은 것으로 끈적임 누출이 없음)
- 요비선 (철사 와이어)
- 압착툴
- 스트리퍼
- 가위
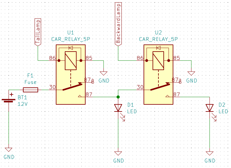
회로도
위 그림은 처음에 배선도를 그린것이며, 아래 회로도는 참고만 할 것.

D1 LED는 미등 보조등. D2 LED는 미등+후진 보조등
작업 순서
보조등 전류 확인
전원공급기로 확인.
12V, 1.73A, 20.76W 이므로 여유있게 25W로 계산.
보조등 위치 선정
적재함 프레임 구멍을 사용하거나 설치할 곳에 구멍을 뚫는다.
릴레이 제작
리어 콤비네이션 램프 LH의 F03 커넥터 3번 핀이 미등 전원이다. 이것을 미등 릴레이 86번에 연결한다.
리어 콤비네이션 램프 LH의 F03 커넥터 5번 핀이 후진등 전원이다. 이것을 후진등 릴레이 85번에 연결한다.
미등 릴레이 85는 후진등 릴레이 87에 연결한다. 그래야 후진할 때만 릴레이가 동작함
※ 후진 보조등만 사용 시, 후진등 릴레이가 먼저 동작해야 하는 이유는, 미등에 비해 후진등 사용 시간이 극히 짧기 때문이다.
나머지는 회로도와 같이 연결한다.
배선 제작
배터리(+) - O링 압착 터미널 - 방수 퓨즈 홀더 - 적색 1.5SQ - 미등 릴레이 B+
배터리(+) - O링 압착 터미널 - 방수 퓨즈 홀더 - 흑색 1.5SQ - 후진등 릴레이 GND, 보조등 GND
전선관에 삽입
배가름 플라스틱 전선관에 전선을 넣는다. 제일 손아픈 작업.
그 다음 절연 테이프로 넓게 감아준다.
프레임 내부에 매설
리어 콤비네이션용 전선은 프레임 옆에 고정되어 배선 됬지만
이번 전선은 프레임 내부 빈 공간에 배선했다.
전선 잇기
보조등 전선과 릴레이 전선이 만나는 지점에서 전선관을 열고 전선을 일부 꺼낸다.
스트리퍼로 전선 피복을 벗기고 연결할 전선을 감아준다.
절연테이프로 감아준다.
전원 케이블에 커넥터를 사용하면, 자동차 검사시 커넥터만 분리하면 되므로 편하다.