장시간 어둠 속에서 굴러다니던 구입 후 8년 된 손목 시계가 방전이 되었다.
(모델명: GA-1100A, 모델번호: 5311)
0시0분0초 1일...
다행히 형광등으로 15분간 전력 복구를 했더니 초침이 움직이기 시작했다.
(방전 되어도 설정값은 롬에 기억되어 있다)
불편한 점은 GPS 수신 기능이 없어서 창가에서 FM 전파 수신을 받아야 한다.
(GPS 현재 시각 전파는 실내에서도 수신 된다.)
그래도 10년의 수명에 방전까지 됐으니 교체를 준비 해본다.
구매가능한 곳은 알리익스프레스, 아마존 등 해외 쇼핑몰.
알리 가격은 US $10

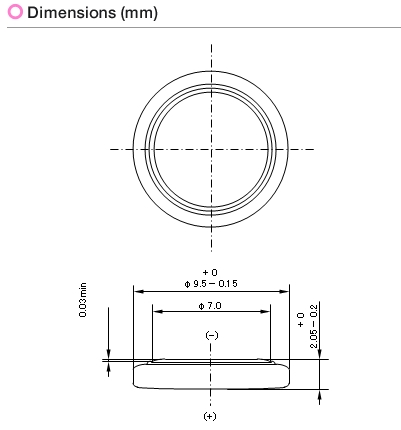
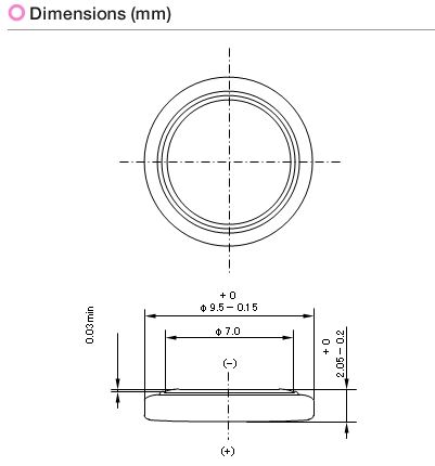
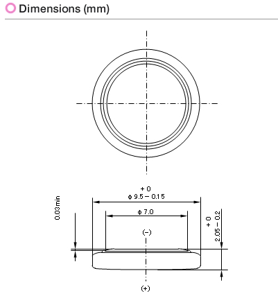
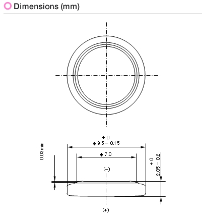
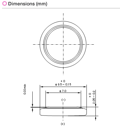
동전 배터리 규격: CTL920 (리튬 코발트 산화물)
배터리 가격: 21$ (아마존 평균 가격)
정격 용량: 5.5mAh
정격 전압: 2.3V
표준 방전 조건: 0.2mA
표준 충전 조건
정전압: 2.6V
정전류: 1.0mA
시간: 24h
양극 재질: 리튬 코발트 산화물
음극 재질: 리튬 티타늄 산화물
부피당 에너지 밀도: 89Wh/l
질량당 에너지 밀도: 25Wh/kg
반복 특성(100%DOD)* 100회 이상
적동 온도 범위: -10~60C
무게: 0.5g

호환 제품: 카시오 시계 (G-Shock, ProTrek, Edifice, Baby-G, Beside, MTP, OutGear 및 기타 모델 포함). 배터리 모델명을 확인할 것
CTL920 동전 배터리 사용시 주의사항:
- +, -극 단락 금지.
- 과방전, 화재, 손상 금지.
- 배터리 밀봉 시 200 C~250 C에서 5초 미만으로 할 것.
- 방전되면 :리튬 배터리 재활용으로 분리 배출할 것.

가격: $10.80
배송: 무료. 8일만에 도착.
1. 시계 뒷면 커버의 볼트 4개를 풀고 연다.


빨간색의 충격 방지 패드를 벗기면 금속 접지 커버가 보이는데, 배터리 부분을 감싸고 있는 부분만 열어야 한다.
2. 배터리 커버 측면 걸쇠를 제끼면 배터리 커버를 젖힐 수 있다. 쉽게 열 수 있는 구조로 만들어져 있다.
3. 배터리를 교체하고 다시 배터리 커버를 눌러서 걸쇠를 채워준다.
4. 빨간 패드를 다시 덮고 시계 커버를 닫고 볼트를 잠근다.