데모 프로젝트 중 video 파일을 열어봅니다.

위와 같은 그래픽 카드 프로젝트입니다. 3D 뷰어로 PCB를 미리볼 수 있습니다.

단순한 사각형만 여러개 보이는데, 하위 도면 시트를 나타냅니다. KiCad는 하나의 프로젝트에서 여러 도면을 만들고 연결할 수 있습니다.

도면마다 계층 라벨을 지정하면 도면 외부로 신호를 연결할 수 있습니다.

다른 도면으로 버스 연결된 모습입니다. 강조 기능을 사용하면 분홍색으로 네트와 핀 연결 상태를 보여줍니다.
buspci 상자를 더블클릭해서 도면을 열어봅니다.

전역 라이브러리에 없는 거대한 심볼들이 있습니다. 사용된 심볼은 프로젝트 내에 저장되기 때문에 프로젝트를 다른 PC에 복사하거나 KiCad를 재설치 하더라도 사용자정의 심볼, 풋프린트를 그대로 사용할 수 있습니다.
네트 라벨


Wire나 Bus에 라벨을 지정하면 복잡하게 연결할 필요 없이 깔끔한 도면을 만들 수 있습니다.
계층 라벨

같은 유형의 네트를 버스로 묶을 수 있습니다.
구문 도움말

심볼과 네트의 라벨 명칭은 구문 기호로 다양하게 표현할 수 있습니다. 위 첨자, 아래 첨자, 윗줄 등.
풋프린트 지정

PCB 편집기

스키마 편집기와 PCB 편집기는 실시간으로 연결 되어 있기 때문에, 부품을 선택하면 다른 편집기에서 강조 표시 됩니다.
Alt+3 단축키를 누르면 3D 뷰어가 실행되어 부품 실장을 미리 볼 수 있습니다.
없는 3D 모델은 STEP 파일을 추가하면 보입니다.
PADS, Eagle 같은 유료 프로그램 안 부러워요~
이어서 graphic 도면을 열어봅니다.

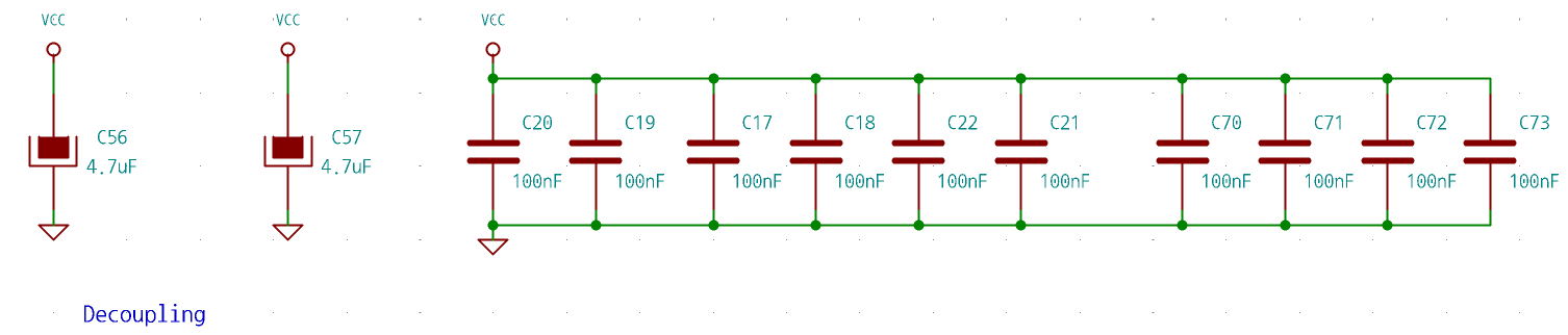
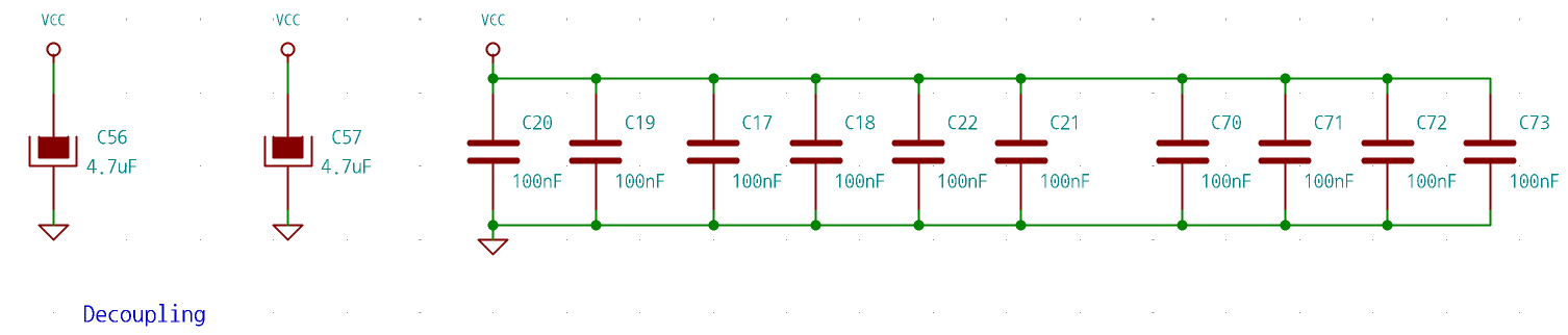
왼쪽의 캐패시터 기호는 탄탈을 나타냅니다. 오른쪽의 캐패시터 기호는 세라믹을 나타냅니다.

좀 더 캡쳐하고 싶은데 프로그램이 많이 버벅입니다. 3D 인벤터도 쌩쌩 잘 돌아가는데, KiCad는 최적화가 덜 된 것 같습니다.