알리익스프레스
가격: $11.12 (₩14,906)
배송: 무료. 3일 만에 도착. CJ택배
상품 페이지:
https://s.click.aliexpress.com/e/_DDFUEvR
5.93US $ 59% OFF|12-24v New Car Start Voice Custom 4-channel Trigger Voice Speaker Prompter Sound Alarm Reverse Siren Buzzer Ala
Smarter Shopping, Better Living! Aliexpress.com
www.aliexpress.com
자동차, 자동화 기계에서 사용할 수 있는 스피커입니다. 상품 설명에는 4채널로 표기되어 있습니다.
단순히 신호 입력으로 MP3 파일을 재생하는게 아니라, 여러 가지 방법으로 재생 설정을 할 수 있습니다.
자동차에서는 후진 둥둥이, 경적 따르릉, 안내음성 등을 사용하면 됩니다.
자동화 기계에서는 경고음, 비상정지음, 안내 음성 등을 사용하면 됩니다.
개봉

제품 구성: 종이 박스, 본체, 설명서

전원선은 적흑 20AWG 1P 전선으로 붙어있습니다. 신호선은 22AWG 1C 전선으로 개별로 분리되어 있습니다.
전선의 길이는 인입점으로부터 28cm 입니다.

스피커는 8Ω 1W 연결되어 있습니다.
판매자 상담에 따르면 12V 2A 출력이 된다는데 아마도 스피커 출력 방식을 이해 못한 것 같습니다. 12V2A는 DC전력이고 스피커는 AC이므로 임피던스와 W만 알면 되니까요. 설명서의 출력 사양은 2W8Ω입니다.
연결
오디오 작업을 하려면 뚜껑을 당깁니다.

microB Type USB 케이블을 PC와 연결합니다. 파란색 LED가 점멸합니다.

자세히 보면 외부 신호 입력이 P06까지 있습니다.
6채널입니다.
배선을 추가로 하면 6가지 오디오를 재생할 수 있습니다.
왼쪽 아래의 볼륨 저항은 오디오 볼륨을 조절하는 부품입니다.
기본 파일

6개의 파일이 있습니다.
파일명은 중요하지 않으며 이름순 정렬을 기준으로 신호와 매칭됩니다. (예: P01 신호는 첫 번째 파일)
메모리

총 3.94MiB(=4.14MB) 용량입니다.
설정
| 모드 | 기능 | 설명 |
| M.0 | 펄스 신호마다 1회 새로 재생 | 신호가 입력될 때마다 소리를 한 번만 끝까지 재생합니다. 재생 중에 신호가 다시 입력되면 처음부터 재생이 시작됩니다. |
| M.1 | 연속 신호 중에만 반복 재생 | 신호 입력이 유지되는 동안 반복 재생이 됩니다. 신호가 끊어지면 바로 중지됩니다. |
| M.2 | 1회 완전 재생 | 신호가 입력되면 소리가 한 번만 재생되며 중지할 수 없습니다. 재생 중에 다른 신호가 입력되어도 인터럽트가 발생하지 않습니다. |
| M.3 | MP3 모드 | P01은 전원이 켜질 때 음원들이 한 번 재생됩니다(K1은 GND와 단락되어야 합니다). P02는 소리 재생용이며 중지되지 않습니다. P03는 재생/일시정지용입니다. P04는 이전 재생입니다. |
| M.4 | 지정된 폴더에서 재생 | P01은 01 폴더를 재생하고, P02는 02 폴더를 재생합니다. 신호가 한 번 입력되면 폴더의 모든 사운드 파일이 재생됩니다. 다른 신호가 입력되면 해당 신호의 폴더가 재생됩니다. 폴더가 없거나 비어있으면 재생 정지용으로 사용할 수 있습니다. |
| M.5 | 반전 신호로 재생 Normal Close |
전원을 켜면 장치가 대기상태로 되며 재생되지 않습니다. 신호를 끊으면 재생이 되며, 신호가 연결될 때까지 반복 재생됩니다. |
| M.6 |
펄스 신호는 1회만 재생 연속 신호는 반복 재생 |
신호가 입력되는 동안 소리가 반복적으로 재생이 됩니다. 신호가 끊어져도 끝까지 재생합니다. 재생 중에는 동일한 신호가 재입력 되어도 재생이 유지되며, 다른 신호가 입력되면 소리가 바로 재생됩니다. |
| M.7 | 여러 신호로 순차 반복 재생 | 예를 들어, P01과 P02 신호가 동시에 입력되면 입력한 순서대로 신호가 끊길 때까지 관련 사운드 파일이 하나씩 반복 재생됩니다. P03-P02-P04-P01 순으로 입력하고 신호 입력이 유지되면, 입력 순서대로 3-2-4-1에 해당하는 사운드 파일이 순차 연속 재생됩니다. 재생 중인 소리의 신호가 끊기면 다음 연결 신호의 사운드 파일이 재생됩니다. |
| 메모리에 00이라는 이름의 폴더가 있으면 전원을 켠 후 장치에 있는 모든 사운드 파일을 한 번 재생합니다. 메모리에 99라는 이름의 폴더가 있으면 전원을 켠 후 장치에 있는 모든 사운드 파일을 반복 재생합니다. |
||
신호 입력은 NPN입니다. 신호에 GND가 연결되면 재생됩니다. 단, M.5 모드는 B접점이 되므로 신호가 끊겨야 재생됩니다.
자동차는 12V 전원 신호를 사용하므로 PNP-NPN 컨버터를 사용해야 합니다.
- 경적, 후진벨 등 신호가 입력될 때만 재생하려면 M.1 모드를 사용하면 됩니다.
- 경고음, 음성 신호를 끝까지 1회만 재생하려면 M.0 모드를, 연속 재생하려면 M.6 모드를 사용하면 됩니다.
- 비상정지 버튼처럼 B접점에 연결하여 신호가 끊겼을 때 경고음을 재생하려면 M.5 모드를 사용하면 됩니다.
- 도어록과 연동해서 전원 공급 시 처음 1회만 자동 재생하려면 00 폴더를 만들고 그 안에 사운드 파일을 넣으면 됩니다.
- 장사 멘트처럼 여러 가지 사운드를 연속 재생하려면 M.7 모드를 사용하거나, 6개를 초과할 때는 M.4 모드를 사용하고 해당 폴더에 사운드 파일들을 넣으면 됩니다.
모드를 바꾸는 방법

텍스트 파일을 생성하여 내용에 M.번호를 입력 후 루트 위치에 저장하면 됩니다. 파일명은 상관없습니다.
M.6 모드를 추천합니다. 펄스 입력 시 1회 완전 재생 되며, 연속 입력 시 반복 재생 됩니다.

소비 전력
12V 입력 시 볼륨을 최대로 했을 경우 0.6A 미만의 전류가 측정되었습니다. 0.5sq 또는 22~24AWG 전선으로 배선하면 됩니다.
신호선과 COM의 전압은 2.86~3.14V로 측정되었습니다. 12V와 신호선의 전압은 1.6V입니다.

입력 신호를 GND에 단락시켜야 동작합니다.
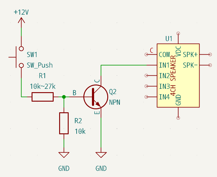
그럼 +12V의 신호를 연결하려면 어떻게 해야할지 회로를 그려봅니다.

저항, NPN 트랜지스터를 붙여야 합니다.
스위칭 TR이므로 R1은 임의값, R2는 TR이 오동작할 때 추가하면 됩니다.
무료 MP3 효과음
120,000개 이상 무료 사운드 효과 다운로드 - Pixabay - Pixabay
전기차 후진음(1회 재생용)
딩딩이(M.1 모드용)
설명서
800px

300DPI
